CT = دستگاهی ترانسفورماتوری است که جریان الکتریکی را از نسبتی به نسبت دیگر تبدیل می کند.
رنج اولیه Ct ها:
2000A-1500A-1250A-1200A-1000A-800A-750A-600A-500A-400A-300A-25 0A-200A-150A-100A-75A-50A-25A
رنج ثانویه CT ها:
1A-5A
انواع ترانس جریان از نظر ساختمانی :
1- CT های هسته بالا – (Tank Type)
2- CT های هسته پایین (TAPCORE)
3- نوع بوشینگی (Bushiny Type)
4- نوع شمشی
5- نوع حلقوی
6- نوع قالبی یا رزینی (Castin Resine)
ترانس های جریان از نظر هسته به دو نوع تقسیم می شوند :
1- ترانس های جریان با هسته اندازه گیری
2- ترانس های جریان با هسته حفاظتی
1-
ترانس های جریان با هسته اندازه گیری وظیفه دارند که در حدود جریان نامی و
عادی شبکه از دقت لازم برخوردار باشند. و این نوع هسته ها باید در جریان
های اتصالی کوتاه به اشباع رفته و مانع از ازدیاد جریان در ثانویه و در
نتیجه مانع سوختن و صدمه دیدن دستگاه های اندازه گیری در طرف ثانویه شوند.
2- ترانس های جریان با هسته حفاظتی :
باید
در جریانهای اتصال کوتاه هم بتوانند دقت لازم را داشته و دیرتر به اشباع
رفته تا بتوانند متناسب با افزایش جریان در اولیه ، آن را در ثانویه ظاهر
کرده و با تشخیص این اضافه جریان در ثانویه توسط رله های حفاظتی فرمان قطع
یا تریپ به کلیدهای مربوطه داده تا قسمتهای اتصالی شده و معیوب از شبکه جدا
شوند.
قدرت نامی ترانس جریان:
قدرت اسمی ترانس جریان مساوی
حاصل ضرب جریان ثانویه اسمی و افت ولتاژ مدار خارجی ثانویه حاصل از این
جریان می باشد. مقادیر استاندارد قدرت های اسمی عبارتند از :
2.5 – 5 – 10 – 15 – 30 VA
کلاس دقت ترانس های جریان:
میزان
خطای CT ها با توجه کلاس دقت آنها مشخص می گردد. کلاس دقت CT برای هسته
اندازه گیری و حفاظتی به دو صورت مختلف بیان می گردد. برای هسته اندازه
گیری درصد خطای جریان را در جریان نامی ارائه می کنند.
مثلاً کلاس
دقت CL=0.5 یعنی 5/0 % خطا در جریان نامی CT های اندازه گیری را معمولا در
کلاس دقت های 1/0 – 2/0 – 5/0 – 1 -3 – 5 – مشخص می کنند و در کاتولوگ ها و
نیم پلیت تجهیزات به صورت 2/0:cl 5/1200 c.t: مشخص می گردد . در ضمن باید
توجه داشت اگر بر روی نیم پلیت ها 800c نوشنه شود یعنی ولتاژ اتصال کوتاه
اگر از 800 ولت بالاتر رود ct به حالت اشباع خواهد رفت .
برای هسته
های حفاظتی درصد خطای جریان رابرای چند برابر جریان نامی بصورت XPY بیان می
کنند . %X خطادر Y برابر جریان نامی مثلا 10 P 5 یعنی 5% خطا در 10 برابر
جریان نا می که CT های حفاظتی بر اساس استاندارد IEC بصورتP 5 P 10 می
باشند ( 30 P 5 و 20 P 5 و10 P 5 )و (20 P 10و 10 P 10).
توجه : در
هنگام کار با ترانس جریان ( CT ) وبا هماهنگی که جریان از اولیه آن می گذرد
باید ثانویه آن اتصال کوتاه گردد . در غیر این صورت به علت القاء ولتاژهای
زیاد و خطرناک در ثانویه CT امکان صدمه دیدن و یا ترکیدن CT وجود دارد .
CT ها دارای دو نوع خطا می باشند :
1- خطای نسبت تبدیل RAT IO =KIS-IP/IP
2-خطای زاویه : PHASE DISPLUCEMENT: اختلاف زاویه و ثانویه CT با رعایت نسبت تبدیل خطای زاویه است .
3- CT های حفاظتی دارای خطای ترکیبی می باشند . مثلا خطای ترکیبی CT نوع 20P 5 برابر5%است.
4-
CT های حفاظتی دارای خطای ALF می باشند. ( ACURRACY LIMIT FUCTER) یعنی
تاچند برابر جریان نامی CT نباید خطای CT از حد گارانتی تجاوز کند مثلا
خطای ALF در CT 20 p 5 برابر 20 می باشند .
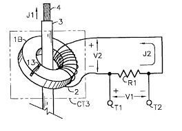
انواع ترانس جریان از نظر ساختمانی:
ترانس جریان با هسته بالا :
در
این ترانس مسیر طی شده توسط سیم پیچ اولیه در داخل ترانس اتصال کوتاه ترین
مسیر بوده و طرح آن بهترتیبی است که سیم پیچ ثانویه با کمترین فاصله هوای
دور تا دور هسته را که بصورت حلقه می باشد پیچیده شده و هادی اولیه از وسط
این حلقه عبور می کند و این دو سیم پیچ با عایق بندی مناسبی از هم ایزوله
می باشند .
به منظور جلوگیری از انقباض و انبساط روغن در اثر
تغییرات درجه حرارت ناشی از تغییرات بار شبکه از گاز نیتروژن یا دیافراگم
ارتجاعی با لاستیکی در بالای CT استفاده می شود .
ترانس های جریان هسته پایین یا TANK TYPE))
دراین
نوع ترانس هادی اولیه U شکل درون بوشینگ قرار گرفته که عایق بندی کاغذ و
روغن روی سیم پیچ اولیه بوده و آن را از سیم پیچ ثانویه که با حداقل فاصله
هوای روی هسته پیچیده شده ایزوله می نماید و فاصله بین این دو سیم پیج نیز
با روغن پر شده است .
به منظور انقباض و انبساط روغن در اثر تغییرات
بار شبکه از بالشتک های ارتجاعی لاستیکی ( دیافراگم ارتجاعی ) یا گاز
نیتروژن استفاده می گردد .
CT های نوع بوشینگی :
در نوع
بوشینگی هسته و سیم پیچ ثانویه در داخل بوشینگ (ترانس- کلید – راکتورها
)قرار داشته و از هادی که داخل بوشینگ است بعنوان سیم پیچ اولیه ترانس
جریان استفاده می گردد . از CT های نوع بوشینگی دردستگاه هایی نظیر کلید
های فشار قوی از نوع DETUNK TYPE و یا بوشینگ راکتور ها به منظور صرفه جویی
در هزینه های ساخت استفاده می شود .

ترانس جریان نوع قالبی یا رزینی:
از
این نوعCT ها بیشتر در مناطق گرمسیری و به منظور جلو گیری از نفوذ رطوبت و
گرد و خاک به داخل CT استفاده می شودو تا سطح ولتاژ 63 کیلو ولت و جریان
1200 آمپر بیشتر طراحی نشده اند.
نسبت تبدیل و روشن های تغییر نسبت تبدیل ترانس جریان ها:
از
آنجایی که در تمام اوقات از خطوط انتقال بار نامی کشیده نمی شود بنابراین
لازم است که نسبت تبدیل ترانس جریان که به ازاء عبور جریان نامی از خط
انتخاب کرده ایم تغییر بدهیم تاد قت اندازه گیری بیشتر شود و همچنین از
تنوع رنج ساخت و خرید CT کاسته شود .
